Каталог
Каталог Написать в WhatsApp
Мотоэкипировка

Головка цилиндра 4-Х ТАКТНОГО ПЛМ MERCURY F15 Серийный номер от 0P401000 и выше

Головка цилиндра 4-Х ТАКТНОГО ПЛМ MERCURY F15 Серийный номер от 0P401000 и выше в Санкт-Петербурге: актуальный каталог, цены, фото, описание. Купите головка цилиндра 4-х тактного плм mercury f15 серийный номер от 0p401000 и выше в кредит – оформите заявку онлайн за 1 минуту!

Оригинальные запчасти

Артикул НАИМЕНОВАНИЕ Кол-во деталей в узле Примечание Наличие Цена Аналоги Фото
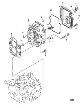
1 835430A1 CYLINDER HEAD

Под заказ

1

Под заказ

уточнить

Купить
2 835430A2 CYLINDER HEAD ASSEMBLY

Под заказ

1

Под заказ

уточнить

Купить
3 835430T08 CYLINDER HEAD

Под заказ

1

Под заказ

уточнить

Купить
4 822644 PIPE PLUG

Под заказ

3

Под заказ

уточнить

Купить
5 855677 BOLT (M8 X 78)

Под заказ

6

Под заказ

уточнить

Купить
6 825689 PIN-DOWEL

Под заказ

2

Под заказ

уточнить

Купить
7 893745025 SCREW

Под заказ

3

Под заказ

уточнить

Купить
8 8M0052705 Прокладка головки блока F15 (GASKET)

Под заказ

1

Под заказ

уточнить

Купить
9 834954 COVER

Под заказ

1

Под заказ

уточнить

Купить
10 850837 Уплотнитель (SEAL)

Под заказ

1

Под заказ

уточнить

Купить
11 8257021 Болт (BOLT, (M6 x 20))

Под заказ

4

Под заказ

уточнить

Купить
12 827858Q Свеча зажигания (PG DPR6EA-9 @10)

Под заказ

2

Под заказ

уточнить

Купить
13 859578A1 Пробка (OIL PLUG ASY)

Под заказ

1

Под заказ

уточнить

Купить
14 802733A98 POWERHEAD ASSEMBLY

Под заказ

1

Под заказ

уточнить

Купить
15 879783A01 POWERHEAD ASSEMBLY

Под заказ

1

Под заказ

уточнить

Купить
16 835427A00 GASKET SET, Powerhead

Под заказ

1

Под заказ

уточнить

Купить

Нулевая цена не означает отсутствие товара. Оформите заказ, и менеджер сообщит вам цену и наличие товара, предварительно запросив их у поставщика

Главная Магазины
Корзина0
Профиль